极致硬核!爆肝6个月手搓Intel 486主板:Linux、Windows全跑通
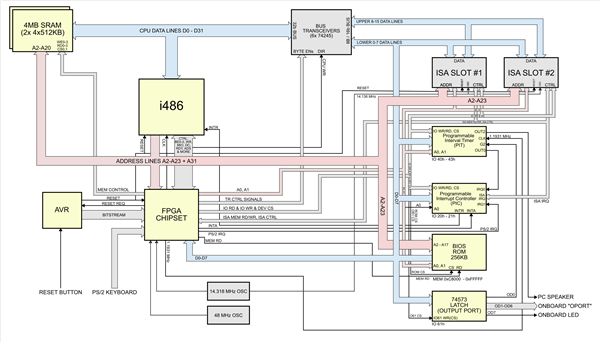
1月27日快科技消息,程序员兼电子爱好者Maniek86历时近6个月,从底层原理图画起,独立设计PCB并实现芯片组逻辑,亲手打造出一块功能完整的Intel 486架构主板M8SBC-486。
这块主板不仅能稳定运行Linux、MS-DOS、FreeDOS等操作系统,还能流畅运行《毁灭战士》《德军总部3D》等经典游戏,甚至在特定环境下成功启动Windows 3.1。

Maniek86强调,这块主板并非基于旧设计改良,而是完全从零开始设计,包括芯片逻辑、引脚时序和BIOS代码。
这意味着他需要深入理解486 CPU的总线协议、时钟逻辑、中断控制和存储读写时序等底层细节。
在个人博客中,他详细记录了从焊接电阻、电容等小型元件,到攻克144引脚FPGA芯片和ATMega128微控制器等核心部件的焊接过程,甚至为PGA插槽设计了切割拼接的DIP插座。

测试阶段自然也充满了挑战,Maniek86遇到了SRAM元件贴标倒置导致的短路、芯片封装混淆、中断控制器缺失等问题,但他通过临时添加下拉电阻、自制适配器等方法逐一解决了这些难题。
最终,在示波器的辅助下,他成功让486 CPU在自制主板上运行起无限循环程序,并逐步实现了ISA总线功能,完成了从硬件焊接到基础功能验证的全流程突破。
目前,Maniek86已将该项目的原理图、PCB设计文件及BIOS源代码全部在GitHub开源,他坦言这块板子仍有提升空间,未来计划进一步完善ISA扩展和PC兼容性。

以上就是全部内容,喜欢的话记得收藏本站,我们将持续为您带来更多精彩内容。
